




諧波減速器軸承包括剛性軸承和柔性軸承兩大類型,剛性軸承包含四種系列,CSG(CSF)系列、CSD系列、SHG(SHF)系列、SHD系列,其命名方式采用減速器的命名;柔性軸承的命名為HYR。
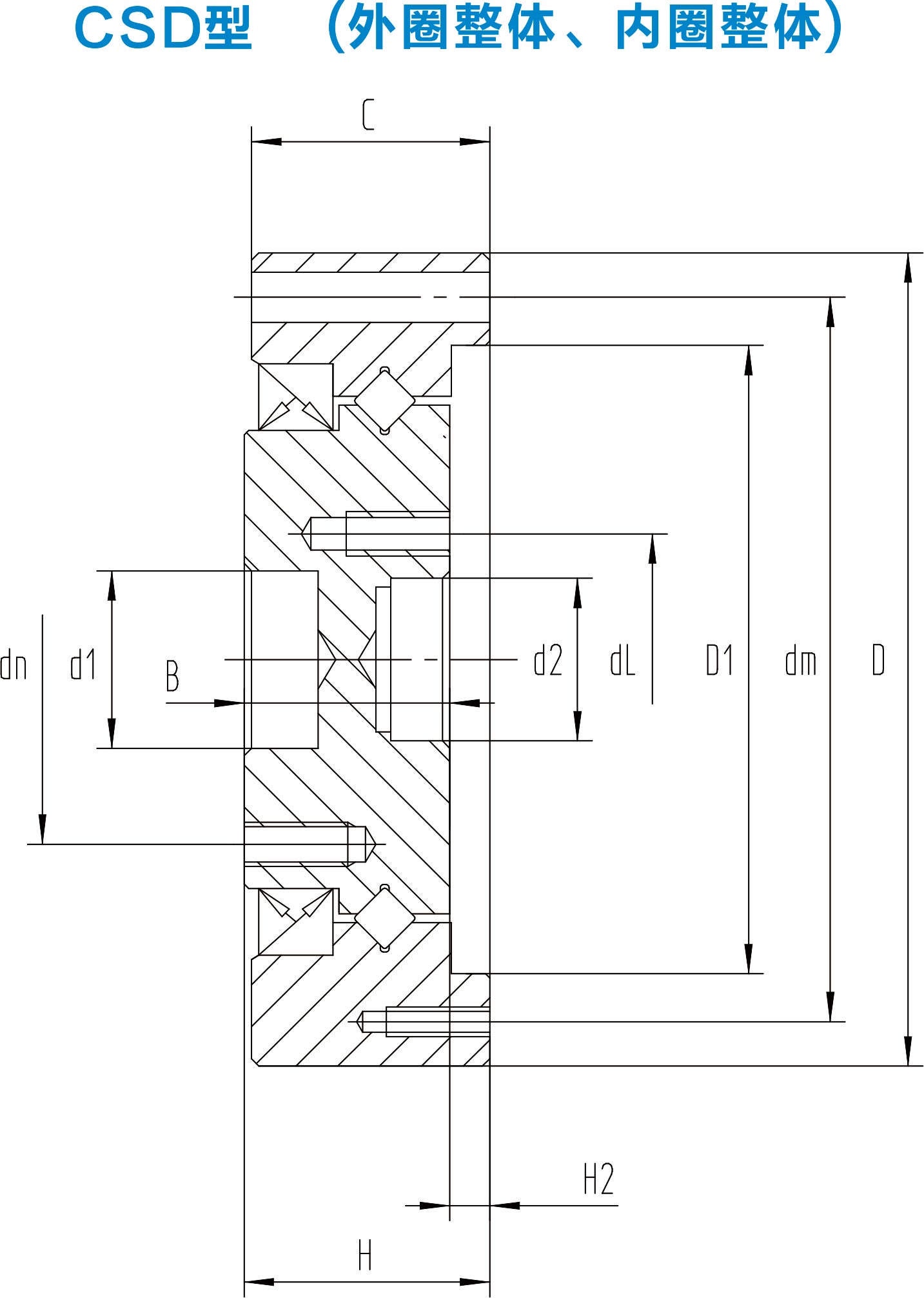
諧波減速器用剛性軸承為交叉圓柱滾子結構,根據其使用場合分為外圈分體、內圈整體,外圈、內圈都是整體兩大類;滾動體為圓柱滾子,互成90°垂直排列在V型滾道中,這種結構的軸承可同時承受軸向載荷、徑向載荷和傾覆力矩等各個方向的載荷,軸承具有高精度、高剛性以及復合承載能力。
產品名稱:CSD型(外圈整體、內圈整體)
介紹:外圈和內圈均為整體結構,外徑尺寸和CSG型相同,比CSG型軸承具有更高的剛性,主要應用在CSD系列減速器輸出部位。
參數:



掃一掃咨詢微信客服